¡Ü FEATURE
1) Installed is easy only electric supply.
2) Actuator size is small and it is balance type of trim parts.
3) Emergency operating is possible with emergency handle devices.
4) Precision is high by proportion control. |
| |
| ¡Ü Specification |
| Model |
K3C-MO |
| Type |
Electric Motor |
| Applicable Fluid |
Water, Oil |
| Applicable Press. / Temp. |
10 kgf/cm©÷ / 150¡É |
| Power Supply / Input Signal |
110V, 220 V / 4~20mA |
| Differential Press. |
2.0 kgf/cm©÷ |
| Operation |
Dividing |
Signal Less (A -> B) / Signal Supply (A -> C) |
| Mixing |
Signal Less (B -> A) / Signal Supply (C -> A) |
| Material |
Body |
Ductile Cast Iron, Cast Steel |
| Trim |
Stainless Steel |
| Rangeability |
30 : 1 |
| Flow characteristics |
Linear, On-Off |
| Size |
25 ~ 200mm |
| Accessories (Option) |
¡ÜController(P.I.D) ¡ÜSensor(Pr., Temp.) ¡ÜControl Box |
|
| |
| |
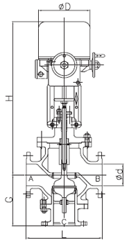
| ¡Ü Dimensions
|
| (mm) |
|
| |
Size
mm(inch) |
d |
L |
D |
H |
G |
Weight
(Kg) |
| 25(1¡±) |
25 |
152 |
140 |
385 |
115 |
27 |
| 32(1 1/3") |
32 |
182 |
160 |
450 |
150 |
28 |
| 40(1 1/2") |
40 |
182 |
160 |
470 |
150 |
29 |
| 50(2") |
50 |
216 |
160 |
490 |
158 |
32 |
| 65(2 1/2") |
65 |
282 |
160 |
520 |
200 |
50 |
| 80(3") |
80 |
301 |
160 |
520 |
209 |
57 |
| 100(4") |
100 |
346 |
160 |
572 |
232 |
76 |
| 125(5") |
125 |
382 |
180 |
809 |
256 |
142 |
| 150(6") |
150 |
443 |
180 |
857 |
292 |
195 |
| 200(8") |
200 |
539 |
180 |
900 |
340 |
250 |
|
|
Notes :
1. Also available in JIS, DIN and ANSI. For all other standards please consult factory.
2. Weights(Ductile Cast Iron) are approximate and applied JIS 10K.
3. The flanges shall conform by JIS B2210. |
|
|
| |
| |